The basis for judging the quality of the anchoring adhesive

The uniformity of bond strength of anchoring adhesive concrete specimens: each type of glue, C25 concrete specimen size 280x300x600mm, 3 groups.

2020-03-27 16:39:19

Anchoring rebar adhesive and chemical anchor bolt

Because the basic functions and principles are very similar, it is always difficult to make clear the anchoring adhesive and anchor bolts.

2020-03-27 16:38:25

What are the requirements of the prestressed CFRP laminate

The prestressed CFRP laminate is a kind of active reinforcement technology applied to bridge, long span beam and other flexural members. It does not increase the weight of the original component and can be strengthened without unloading, so it is favored.

2020-03-27 15:47:51

It is important to select good anchoring adhesive for strengthen

In the field of reinforcement, post installed anchoring can significantly improve the seismic performance of buildings, so it has been widely used in recent years. The glue used for planting reinforcing rebar is also called anchor adhesive. Its quality affects greatly the effect of planting rebar.

2020-03-27 16:11:23

Adhesive Anchor Manufacturers & Suppliers

Shanghai Horse Construction is a manufaturer and supplier of injectable adhesive anchor for post installed anchor. High tensile strength, high bonding strength, epoxy adhesive.

2020-03-27 16:12:47

Factors affecting chemical anchoring reinforcement

The bond between reinforcing bar and base material mainly depends on the adhesive force of chemical anchoring adhesive. Therefore, when selecting the hole diameter, the diameter of the rebar should be slightly larger than the diameter of the reinforcing bar, so as to ensure that the planting bar glue has a certain thickness to provide enough cohesive force.

2020-03-27 16:15:05

Prestressed CFRP laminate VS Prestress wire

In recent years, the concept of prestress in the field of building structure has been mentioned by more and more people. In the field of structural reinforcement, the application of prestressed reinforcement technology is developing faster and faster. There are two main ways of prestressed reinforcement: prestressed FRP laminate and Prestress wire.

2020-03-27 16:17:13

Main application forms of FRP strengthening

CFRP wrap has high tensile strength and fatigue strength in the direction of CIS fiber, and the compression and shear strength are relatively low, so it is mainly adapted to the reinforcement of the tensile region of the concrete structural members, but the CFRP can be circular or U around the concrete members, so it can also be used for the compression of concrete members or shear reinforcement.

2020-03-27 16:21:49

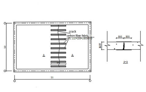
How to use carbon fiber fabric for structural strengthening

​treatment of concrete surface; applying the carbon fiber adhesive; applying carbon fiber fabric for structural strengthening; applying carbon fiber adhesive again; curing and conservation.

2020-03-26 14:16:00

The application of the injectable anchoring adhesive

1.Structural connections with post-installed rebar (e.g. extension/connection to walls, slabs, stairs, columns, foundations, etc.) 2.Structural renovation of buildings, bridges and other civil structures, retrofitting and re-strengthening of concrete members possible 3.Anchoring structural steel connections (e.g. steel columns, beams, etc.)

2020-03-26 14:16:43
Back
Top
Close